Taggleicher Versand bei Bestellung bis 14:00 Uhr (Mo–Fr)DHL-Abholung ca. 15:00 UhrRegellaufzeit: 1–2 WerktageNächste Abholung: |
Gilt an Werktagen (Mo–Fr), ausgenommen gesetzliche Feiertage. Zeiten können im Einzelfall abweichen. Details

Gbg

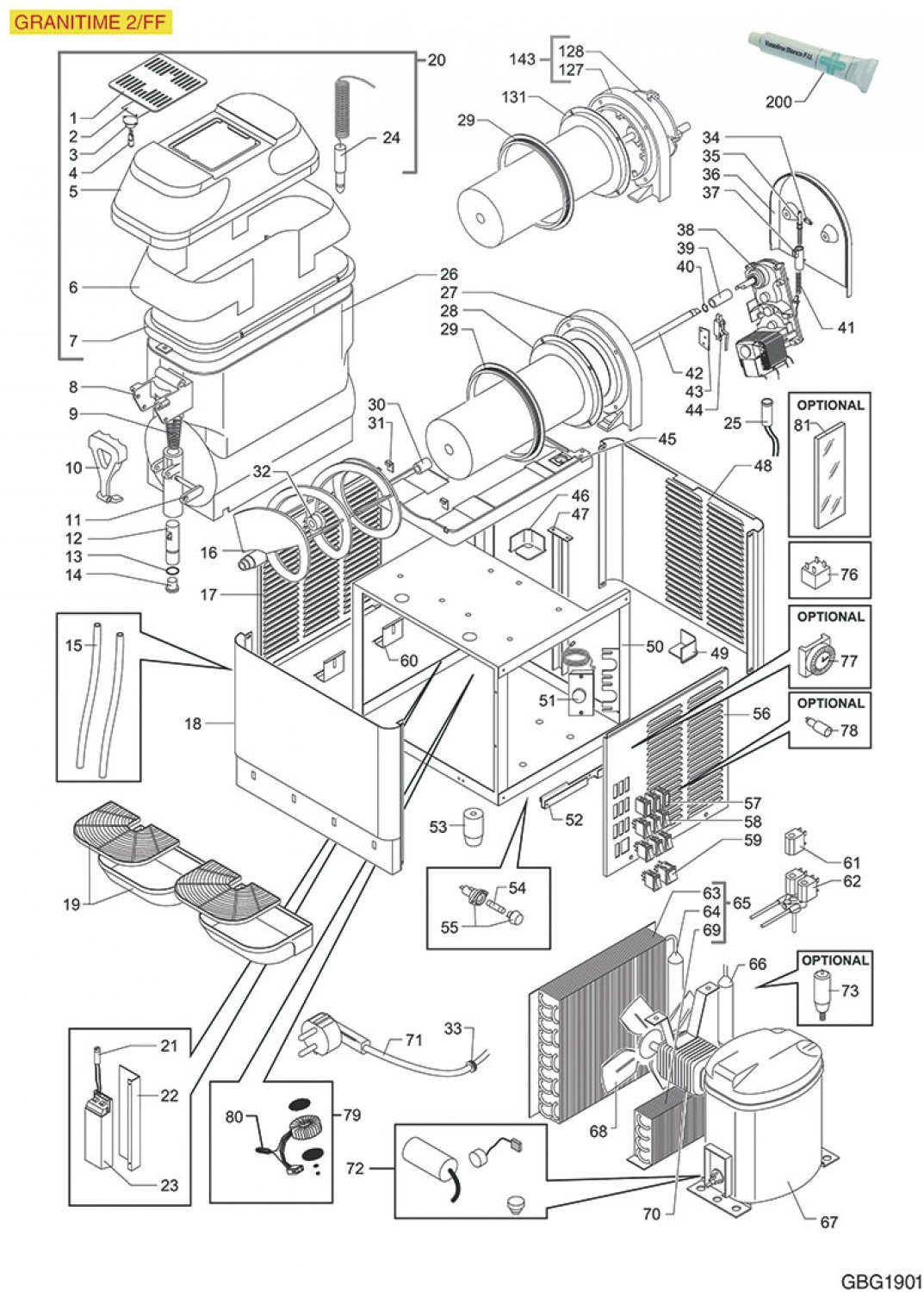
GBG GRANITIME 2/FF

Zeichnungsnummer 8140652

Unter der Explosionszeichnung können Sie gezielt einzelne Positionen bestellen.
Ist Ihr Artikel nicht aufgeführt nutzen Sie bitte folgendes Formular und tragen die gewünschten Nummern ein.

Anfrage auf nicht gelistete Positionsnummern.

Pos.: Bild: Bezeichnung: Anzahl:

Ist Ihr Artikel nicht aufgeführt nutzen Sie bitte folgendes Formular und tragen die gewünschten Nummern ein.

Anfrage auf nicht gelistete Positionsnummern.

Avola