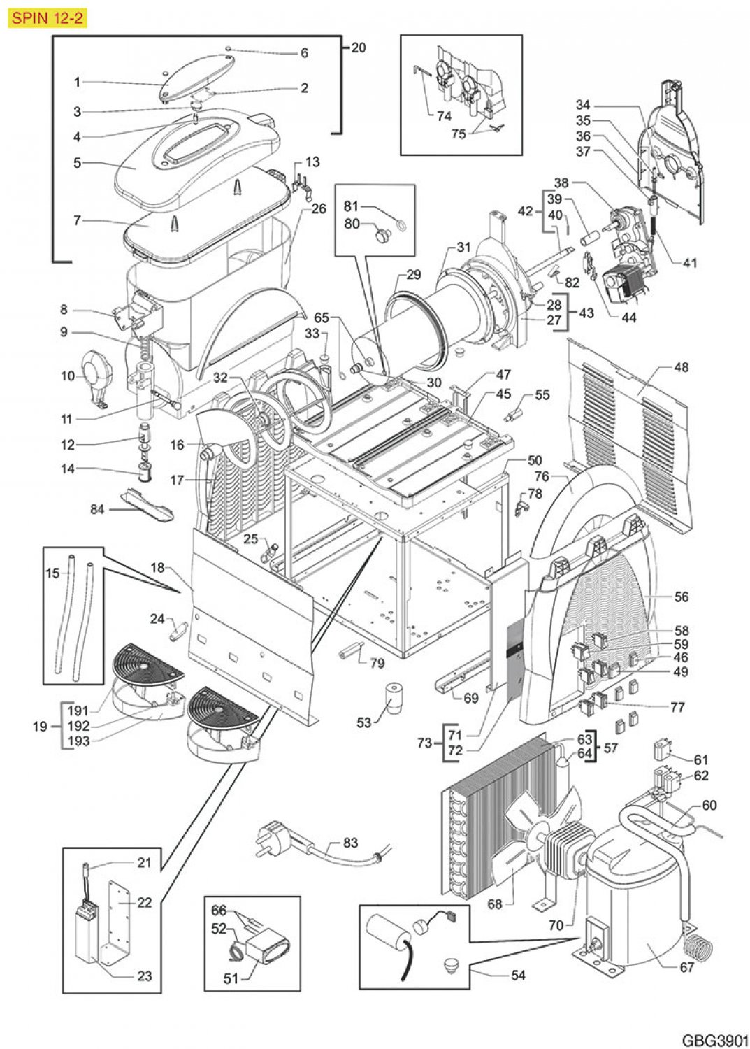
Unter der Explosionszeichnung können Sie gezielt einzelne Positionen bestellen.
Ist Ihr Artikel nicht aufgeführt nutzen Sie bitte folgendes Formular und tragen die gewünschten Nummern ein.
| Pos.: |
Art.-Nr.: |
Bild: |
Bezeichnung: |
Versand: |
Preis (inkl. Mwst.): |
Anzahl: |
| 8 | 8002590 |  |
8002590 HALTER FÜT HAHN
|
zzgl. Versandkosten Lieferzeit wird ermittelt
|
18,25 €
|
|
| 9 | 8003841 |  |
8003841 FEDER FÜR HAHN
|
zzgl. Versandkosten Lieferzeit wird ermittelt
|
12,60 €
|
|
| 10 | 8097854 |  |
8097854 HAHNHEBEL SCHWARZ
|
zzgl. Versandkosten Lieferzeit 4-6 Wochen..
|
83,56 €
|
|
| 11 | 8002592 |  |
8002592 HAHNBOLZEN
|
zzgl. Versandkosten Lieferzeit wird ermittelt
|
15,28 €
|
|
| 12 | 8063858 |  |
8063858 KOLBEN FÜR VERTEILERHAHN
|
zzgl. Versandkosten Lieferzeit wird ermittelt
|
34,82 €
|
|
| 13 | 8184599 |  |
8184599 CONTATTO LUCE COPERCHIO M4
|
zzgl. Versandkosten Lieferzeit wird ermittelt
|
23,80 €
|
|
| 14 | 8064371 |  |
8064371 Dichtung für Verteilerhahn
|
zzgl. Versandkosten Lieferzeit wird ermittelt
|
29,92 €
|
|
| 16 | 8002595 |  |
8002595 SCHNECKE GRANITA MASCHINE
|
zzgl. Versandkosten Lieferzeit wird ermittelt
|
53,01 €
|
|
| 19 | 8097855 |  |
8097855 ABTROPFSCHALE SCHWARZ KOMPLETT
|
zzgl. Versandkosten Lieferzeit wird ermittelt
|
48,89 €
|
|
| 20 | 8101625 |  |
8101625 Abdeckung mit Beleuchtung komplett
|
zzgl. Versandkosten Lieferzeit 4-6 Wochen..
|
168,60 €
|
|
| 24 | 8103226 |  |
8103226 AUSLAUFANSCHLUSS KOMPLETT ø 9 mm
|
zzgl. Versandkosten Lieferzeit wird ermittelt
|
31,29 €
|
|
| 26 | 8097858 |  |
8097858 GBG TANK SPIN CE 12 L
|
zzgl. Versandkosten Lieferzeit wird ermittelt
|
213,09 €
|
|
| 29 | 8002535 |  |
8002535 DICHTUNG FÜR VERDAMPFER ø 170 mm
|
zzgl. Versandkosten Lieferzeit wird ermittelt
|
33,77 €
|
|
| 30 | 8002542 |  |
8002542 DECKEL FÜR VERDAMPFER
|
zzgl. Versandkosten Lieferzeit wird ermittelt
|
31,12 €
|
|
| 32 | 8002542 |  |
8002542 DECKEL FÜR VERDAMPFER
|
zzgl. Versandkosten Lieferzeit wird ermittelt
|
31,12 €
|
|
| 34 | 8002600 |  |
8002600 HALTER ZUR STELLUNG DER HÄRTE
|
zzgl. Versandkosten Lieferzeit wird ermittelt
|
9,47 €
|
|
| 35 | 8002601 |  |
8002601 STIFT ZUR EINSTELLUNG DER HÄRTE
|
zzgl. Versandkosten Lieferzeit wird ermittelt
|
10,67 €
|
|
| 37 | 8002530 |  |
8002530 FEDERFÜHRUNG FÜR EINSTELLSYSTEM
|
zzgl. Versandkosten Lieferzeit wird ermittelt
|
9,07 €
|
|
| 41 | 8003842 |  |
8003842 FEDER ZUR EINSTELLUNG DER HÄRTE
|
zzgl. Versandkosten Lieferzeit wird ermittelt
|
7,18 €
|
|
| 42 | 8002602 |  |
8002602 BÜCHSE ZUR VERBINDUNG DER WELLE
|
zzgl. Versandkosten Lieferzeit wird ermittelt
|
112,10 €
|
|
| 44 | 8002529 |  |
8002529 MIKROSCHALTER 5A 250V
|
zzgl. Versandkosten Lieferzeit 4-6 Wochen..
|
36,63 €
|
|
| 49 | 8020714 |  |
8020714 Schutzkappe für Druckknopf
|
zzgl. Versandkosten sofort lieferbar, 14 Stk. verfügbar
|
2,38 €
|
|
| 53 | 8004610 |  |
8004610 STÜTZGERÄTEFUSS HÖHE = 40 mm
|
zzgl. Versandkosten Lieferzeit wird ermittelt
|
20,60 €
|
|
| 58 | 8020684 |  |
8020684 SCHALTER 1-POLIG SCHWARZ 16A 250V
|
zzgl. Versandkosten Lieferzeit wird ermittelt
|
18,24 €
|
|
| 59 | 8004775 |  |
8004775 Schalter 2 Polig Grün 16A 250V
|
zzgl. Versandkosten Lieferzeit wird ermittelt
|
17,21 €
|
|
| 61 | 8002532 |  |
8002532 Magnetspule Ceme B4 230V 1W7/R
|
zzgl. Versandkosten Lieferzeit wird ermittelt
|
24,06 €
|
|
| 62 | 8000947 |  |
8000947 MAGNETVENTIL DOPPEL CEME 5934
|
zzgl. Versandkosten Lieferzeit wird ermittelt
|
130,29 €
|
|
| 65 | 8064370 |  |
8064370 DICHTUNG ORM 0015-20 ROTES SILIKON
|
zzgl. Versandkosten sofort lieferbar, 6 Stk. verfügbar
|
2,43 €
|
|
| 68 | 8017017 |  |
8017017 SAUGVENTILATOR ø 250 mm 28°
|
zzgl. Versandkosten Lieferzeit wird ermittelt
|
14,03 €
|
|
| 77 | 8005011 |  |
8005011 UMSCHALTER STABIL EIN-AUS-EIN
|
zzgl. Versandkosten Lieferzeit wird ermittelt
|
11,60 €
|
|
| 81 | 8002041 |  |
8002041 O-Ring Silikon Dichtung 0114
|
zzgl. Versandkosten sofort lieferbar, 12 Stk. verfügbar
|
1,59 €
|
|
Ist Ihr Artikel nicht aufgeführt nutzen Sie bitte folgendes Formular und tragen die gewünschten Nummern ein.